L’ospedale Santa Maria delle Croci di Ravenna ospiterà l’unico Centro trapianti di midollo osseo della Romagna, destinato a curare i pazienti affetti da leucemia acuta che hanno bisogno di un trapianto di cellule staminali. Il progetto sarà affiancato da Casa Ail che ospiterà e offrirà supporto a pazienti e famiglie fuori sede. Il completamento del progetto, iniziato a febbraio 2025 e con fine prevista a ottobre, è ora programmato entro il mese di maggio 2026.
La realizzazione del piano è stata possibile grazie a un importante lascito testamentario dell’ingegnere Walter Ottone Ghinassi pari a 5 milioni di euro. Ail Ravenna, l’associazione contro leucemie-linfomi e mieloma, ha dunque manifestato la volontà di finanziare e attuare la progettazione e la realizzazione di tali opere, per un importo di circa 3 milioni di euro, mentre la Fondazione Cassa di Risparmio di Ravenna ha messo a disposizione 250mila euro destinati agli arredi.
«Gli ultimi 20 anni – osserva il presidente di Ail Ravenna, Alfonso Zaccaria durante una conferenza stampa sull’avanzamento dei lavori tenuta in data odierna, 19 febbraio – hanno visto straordinari progressi nella cura delle malattie del sangue. L’utilizzo di cellule staminali da donatore portano a sconfiggere la malattia con una percentuale che varia dal 25 percento al 70 circa. I pazienti romagnoli, tra i 30 e i 40 all’anno, oggi vengono inviati principalmente ai Centri Trapianto di Milano e Ancona».
Obiettivi
Il progetto prevede di garantire prossimità e continuità assistenziale; consolidare e qualificare la rete oncologica e oncoematologica romagnola e infine sviluppare competenze cliniche e tecnologiche avanzate.
Nello specifico l’intervento comprende la realizzazione di un’area di degenza di circa 200mq dotata di 4 camere singole con un ambiente di preparazione in ingresso; la realizzazione di un Day Hospital/Day Service di circa 300 mq per le terapie continuative; adeguamento degli ambulatori e dei percorsi protetti per un’area di circa 300 mq e infine adeguamento e potenziamento delle aree di raccolta e processazione cellulare per una superficie di circa 600 mq.
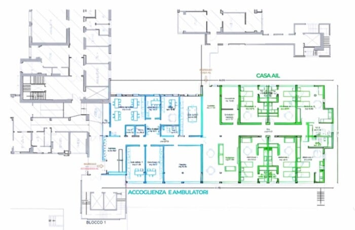
Il progetto Casa Ail
Il progetto per casa Ail e per l’Area Accoglienza è iniziato il mese scorso: questo Centro ospiterà, nei locali dell’ex reparto di Oculistica, appositamente ristrutturati, pazienti fuori sede (e i loro familiari) che dopo il trapianto necessitano di ulteriori terapie di supporto e pazienti provenienti da tutta Italia per terapie sperimentali non disponibili nel centro di provenienza.
Casa Ail si compone di 6 monolocali con due posti letto (per paziente e accompagnatore), angolo cottura e bagno, un’area comune di incontro e svago, una lavanderia e un ingresso dedicato. A completamento del progetto, nello stesso piano, ma con ingresso separato, ci saranno 2 ambulatori ospedalieri fruibili anche da: psicologo, fisioterapista, nutrizionista, estetista, consulente del lavoro, una piccola palestra, una saletta riunioni, ingresso e front office.
Come sostenere il progetto
È possibile sostenere l’iniziativa con donazioni singole o aziendali, intitolazione di spazi e partnership continuative. «Il contributo di tutti è fondamentale per trasformare questa visione in una realtà stabile e duratura, capace di offrire speranza, accoglienza e nuove possibilità di vita», spiegano i promotori.
In questo contesto si inserisce l’evento benefico organizzato da Ail Ravenna in programma per sabato 7 marzo alle 19 al Palace Hotel di Milano Marittima. “Dolci note per la vita” sarà una cena concerto realizzato grazie alla collaborazione della Famiglia Batani (proprietaria della Batani Select Hotels) con la partecipazione di maestri solisti dell’Orchestra Fondazione Luciano Pavarotti, per unire arte, bellezza e solidarietà in un’unica esperienza. «La presenza dell’Orchestra – dichiara Nicoletta Mantovani, presidente della fondazione Luciano Pavarotti – testimonia come la musica possa curare l’anima e diventare strumento di speranza e vicinanza concreta ai pazienti».
Per informazioni sull’evento e sulle modalità di partecipazione: Tel. 339 8508321 – ail.ravenna@ail.it.
«Sono particolarmente orgoglioso di questo risultato – sottolinea il presidente della Regione Emilia-Romagna, Michele de Pascale – frutto di un lavoro che ho portato avanti con convinzione sin dal 2016; un percorso lungo quasi dieci anni che trova oggi una realizzazione concreta. Il progetto per il Centro di trapianto di midollo osseo allogenico e per Casa Ail a Ravenna rappresenta dunque una notizia di grande rilievo per l’intero sistema sanitario regionale. Si compie oggi un passo decisivo verso il rafforzamento della rete ematologica pubblica, garantendo ai pazienti emiliano-romagnoli la possibilità di accedere a cure altamente specialistiche e rafforzando il principio di presa in carico di pazienti e famiglie in un percorso complesso dal punto di vista clinico e umano».
«Come Comune – spiega il sindaco di Ravenna, Alessandro Barattoni – siamo felici di accogliere e supportare un progetto fondamentale per i tanti pazienti che necessitano di accoglienza, assistenza e professionalità. I pazienti romagnoli potranno evitare di spostarsi, trovando qui le cure di cui necessitano, mentre chi arriverà da fuori potrà sentirsi meno solo nell’affrontare la malattia».



